Bize e-posta gönderin
Ürünler
SMC Tipi AC FRL Ünitesi
  • SMC Tipi AC FRL ÜnitesiSMC Tipi AC FRL Ünitesi
  • SMC Tipi AC FRL ÜnitesiSMC Tipi AC FRL Ünitesi
  • SMC Tipi AC FRL ÜnitesiSMC Tipi AC FRL Ünitesi

SMC Tipi AC FRL Ünitesi

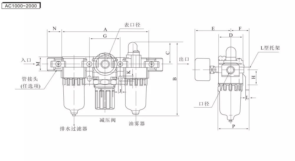
Model:AC2000-02
SMC Tip AC FRL Ünitesi (Filtre-Regülatör-Yağlayıcı), hava kaynaklı filtrelemeyi, basınç azaltma ve düzenlemeyi ve yağlama işlemini entegre eden pnömatik bir temel bileşendir. Pnömatik sistemler için temiz, stabil ve yağlanmış basınçlı hava sağlayarak pnömatik bileşenlerin ömrünü uzatır ve sistem stabilitesini artırır. OLK AC Serisi FRL Ünitesi, modern pnömatik sistemlerin temel "koruyucusu" görevi görür.
  • Brand:

    OLK
  • Type:

    SMC TYPE AC SERIES
  • Port size:

    PT1/8 ; PT1/4 ; PT3/8 ; PT1/2 ; PT3/4 ; PT1
  • Filter Material:

    Copper filter

SMC Tipi AC FRL Ünitesi Özellikleri ve Tasarımı:

Kendiliğinden Kilitlenme Ayarı: Basınçla kendiliğinden kilitlenen bir mekanizmaya sahiptir. İstenilen basınç ayarlandıktan sonra kilitlemek için düğmeyi aşağı doğru itmeniz yeterlidir. Bu, ayar basıncının harici titreşimler veya kazara temas nedeniyle değişmesini önler.

Çok Yönlü Drenaj: Farklı çalışma koşullarına uyacak şekilde hem Manuel Tahliye hem de Otomatik Tahliye seçenekleri mevcuttur. Şeffaf kase su seviyelerinin kolayca izlenmesini sağlar.

Yüksek Hassasiyetli Gösterge: Sistem basıncının net, doğru okunması ve gerçek zamanlı izlenmesi için yüksek hassasiyetli bir basınç göstergesiyle donatılmıştır.

SMC Tipi AC FRL Ünitesi Bildirimi:

Akış Yönünü Kontrol Edin: Lütfen kurulumdan önce hava akış yönünü doğrulayın! Vana gövdesinin üst kısmında akış yönü işaretleri (Oklar veya GİRİŞ/ÇIKIŞ) bulunmaktadır. Kurulum için bu göstergeleri kesinlikle takip edin. Ters takmak arızaya veya sızıntıya neden olur.

Düzenli Bakım: Kasedeki su seviyesini düzenli olarak kontrol edin ve manuel boşaltma tipi kullanıyorsanız boşaltın. Yağlayıcı yağı azaldığında yeniden doldurun (ISO VG32 Türbin Yağı önerilir).

SMC Tipi AC FRL Birim Sembolü:

Sipariş kodu

klima

2000

-

02

-

D

Seri kodu

Kabuk boyutu

 

Bağlantı noktası boyutu:

 

Drenaj Yöntemi

AC: SMC Tipi AC FRL Ünitesi

1000

 

M5:M5

 

Boş:Manuel Tahliye

 

2000

 

02:1/4

 

A: Fark Basınç Tahliyesi

 

3000

 

03:3/8

 

D:Otomatik tahliye

 

4000

 

04:1/2

 

 

 

5000

 

06:3/4

 

 

 

 

 

10:1

 

 

 

Kanıt basıncı

1,5 Mpa(15,3kgf/cm³)

Maksimum Çalışma Basıncı

1,0Mpa(10,2kgf/cm³)

Ortam ve sıvı sıcaklığı

5-60°C

Filtre açıklığı

5μm

Yağ

ISOVG32

Bardak malzemeleri

bilgisayar

Fincan başlığı

AC1000-2000(HARİÇ) AC3000-5000 (VAR)

Basınç düzenleme aralığı

AC1000:0,05-0,7 Mpa (0,51-7,1 kgf/cm³)

AC2000-5000:0,05-0,085 Mpa(0,51-8,7 kgf/cm³)

Basınç göstergesi orifis serisi


2000 serisi

3000 serisi

4000 serisi

5000 serisi

AW

1/8

1/4

klima

BR

1/4

-

BFC

-

SMC Tip AC FRL Ünitesi için kurulum adımları:

İlk olarak, ek yerlerini sarılı PTFE bant ve basınç göstergesiyle takın

2. Ok yönünü takip edin: sol taraf hava girişi, sağ taraf ise hava çıkışıdır

3. Hava tüplerini her iki uçtaki ilgili bağlantı elemanlarına bağlayın

4. Basınç ayar somununu yukarı kaldırın ve döndürerek basıncı düzenleyin; saat yönünde çevirmek hava akışını artırır, saat yönünün tersine çevirmek ise hava akışını azaltır

5. İstenilen hava basıncını ayarlayın, ardından havayı kilitlemek için ayar somununu aşağı doğru bastırın

6. Yakıt gerekiyorsa yağlayıcının üzerindeki vidayı gevşetin.

7. Pnömatik bakım yağını veya türbin yağını yağ girişine dökün (pnömatik yağın kapta belirtilen yağ seviye çizgisini aşmadığından emin olun)

8. Pnömatik yağı doldurduktan sonra somunu alyan anahtarıyla sıkın.

9. Yağ beslemesini döndürerek ayarlayın: saat yönünde yağ akışını artırır, saat yönünün tersine ise azaltır


Drenaj Tipi

Çalışma Prensibi

Uygulama Ortamı

Avantajları

Dezavantajları

Manuel Tahliye

Filtre haznesinde biriken su, tahliye vanasının belirli aralıklarla elle döndürülmesi veya basılmasıyla tahliye edilir. Drenajın tamamlanıp tamamlanmaması tamamen manuel çalışmaya bağlıdır.

Seyrek drenaj gereksinimleri olan basit sistemler veya uygulamalar.

Basit yapı, düşük arıza oranı, ek bakım gerektirmez.

Manuel çalışmaya dayanır; boşaltmayı unutmak kolaydır. Aşırı su birikmesi filtreleme performansını etkileyebilir.

Fark Basınç Tahliyesi

Filtre öncesi ve sonrası basınç farkını kullanır. Yoğuşma birikimi arttığında ve basınç farkı önceden ayarlanan değere ulaştığında drenaj otomatik olarak açılır. Basınç farkı normale döndüğünde tekrar kapanır. Yalnızca hava basıncı ve akışı olduğunda çalışır.

Manüel çalıştırmanın uygun olmadığı, sabit hava beslemeli ve basit çalışma koşullarına sahip ortamlar.

Güç kaynağı gerekmez. Otomatik drenaj, manuel drenajdan daha güvenilirdir.

Sabit hava basıncı gerektirir. Uzun süreli kapatmalarda veya basınç farkı olmadığında drenaj performansı sınırlıdır.

Otomatik Tahliye

Bir şamandıra mekanizması veya zamanlayıcı kullanır. Yoğuşma suyu belirli bir seviyeye ulaştığında tahliye otomatik olarak açılır

Yüksek basınçlı hava kalitesi gereksinimlerine sahip otomatik üretim hatları ve sistemleri.

En zamanında ve istikrarlı drenaj performansı.

Nispeten daha yüksek maliyet.


AFQ'lar:

Neden AC FRL deniyor?

AF (Hava Filtresi) + AR (Basınç Düzenleme Valfi) + AL (Yağ Buharı Yağlayıcı) = AC Üçlü Ünite


Önerilen bağlantı yöntemi

Hava kompresörü -- Hava kaynaklı işlemci -- Kontrol bileşeni -- Aktüatör


Plastik bardağın koruyucu kapağı sıklıkla kolayca kırılırsa ne yapmalıyım?

Bazı müşteriler genellikle plastik kapların basınçtan değil malzemeden dolayı çatladığını fark eder. Plastik bardaklar belirli ortamlara dayanıklı değildir, bu da metal bardakları belirli koşullarda daha iyi bir alternatif haline getirir


Solenoid valf silindirlerinin servis ömrü nasıl uzatılır?

Bir filtrenin kullanılması, havadaki nemi ve yabancı maddeleri temizleyerek pistonlara ve sızdırmazlık halkalarına verilen sürtünme hasarını etkili bir şekilde azaltabilir. Türbin yağı eklemek için bir yağlayıcı kullanılabilir; bu yağ daha sonra silindir pistonunu ve sızdırmazlık halkalarını yağlamak için hava tarafından taşınır. Basınç regülatörü, emme havası basıncını ayarlayarak iş verimliliğini daha da artırabilir


OLK için filtre elemanı hangi malzemeden yapılmıştır?

OLK, 25μm filtreleme doğruluğuna sahip bakır filtre elemanları kullanırken, sıradan fiber filtre elemanları yalnızca 5μm doğruluğuna sahiptir. Yüksek hassasiyetli filtre elemanları, gazdaki yabancı maddeleri ve nemi etkili bir şekilde gidererek, çıkış havasının kuru ve kirletici maddelerden arınmış olmasını sağlar


Sıcak Etiketler: SMC Tipi AC FRL Ünitesi, Çin, Üretici, Tedarikçi, Fabrika
Talep Gönder
İletişim bilgileri
Web sitemize hoşgeldiniz! Ürünlerimiz veya fiyat listemizle ilgili sorularınız için lütfen e-posta adresinizi bize bırakın; 24 saat içinde sizinle iletişime geçeceğiz.
e-posta
cici@olkptc.com
mobil
+86-13736765213
Adres
Zhengtai Yolu, Xinguang Sanayi Bölgesi, Liushi, Yueqing, Wenzhou, Zhejiang, Çin.
X
Size daha iyi bir gezinme deneyimi sunmak, site trafiğini analiz etmek ve içeriği kişiselleştirmek için çerezleri kullanıyoruz. Bu siteyi kullanarak çerez kullanımımızı kabul etmiş olursunuz. Gizlilik Politikası
Reddetmek Kabul etmek