Bize e-posta gönderin
Ürünler
TAC Pnömatik Geçiş Vanası
  • TAC Pnömatik Geçiş VanasıTAC Pnömatik Geçiş Vanası

TAC Pnömatik Geçiş Vanası

Profesyonel üretim olarak OLK size TAC Pnömatik Geçiş Vanası sunmak istiyor. Ve OLK size en iyi satış sonrası hizmeti ve zamanında teslimatı sunacaktır.

TAC Pnömatik Geçiş Valfi (anahtar valfi olarak da bilinir), pnömatik sistemler ve sıvı kontrolü için özel olarak tasarlanmış hassas bir anahtarlama bileşenidir. Benzersiz geçiş tipi kontrol yapısıyla, hızlı geçiş ve akışkan yollarının hassas kontrolünü sağlar.

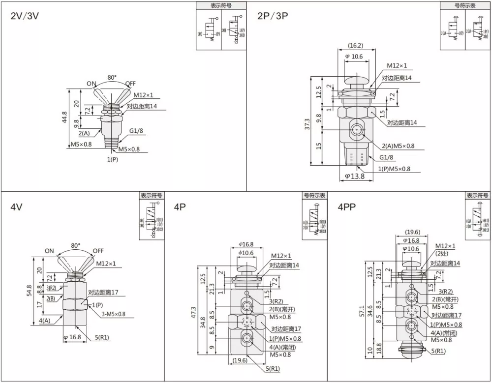
TAC serisi geçiş vanası 2 konumlu 2 yollu, 2 konumlu 3 yollu ve 2 konumlu 5 yollu olarak seçilebilir. Çeşitli kol tipi ve iki tip dişli: M5, G1/8.

Uygulama senaryoları

Endüstriyel otomasyon ekipmanları, mekanik işleme, yapı malzemeleri işleme, enerji ve madencilik, yiyecek ve içecek endüstrisi, tıbbi ekipman vb.

Ürün Özellikleri

Boyutu küçüktür, az kurulum alanı gerektirir ve manuel olarak çalıştırılması sezgiseldir; bu da onu sık sık değiştirme gerektiren senaryolar için uygun kılar.

TAC geçiş valfi sembolü ve ana hatları

Sipariş kodu

TAC

2

__

2

P

 

 

 

 

 

TAC serisi geçiş valfi

 

 

2:2pozisyon 2 yollu(M5)

P: Bas-çek buton tipi

 

 

 

3:2 konum 3 yollu (M5)

V: el kolu tipi

 

 

 

4:2 konumlu 5 yollu (M5)

PP:Çift basma-çekme butonu

 

 

 

31:2 konum 3 yollu (G1/8)

 

 

 

 

41:2 konumlu 5 yollu (G1/8)

 

 

Modeli

Bağlantı noktası boyutu

 

Sayı
Pozisyon

Etkili  
kesit alanı

Basınç Aralığı

Çalışma Sıvısı

Ortam
Sıcaklık

 

TAC-2V

Giriş=Çıkış=M5   

2 Pozisyon 2 Yollu

1,9 mm²

0,05 ~ 0,9PPA

Hava

0~60

TAC-2P

Giriş=Çıkış=M5   

2 Pozisyon 2 Yollu

1,9 mm²

Tac-3V

Giriş=Çıkış=M5   

2 Pozisyon 3 Yollu

1,9 mm²

Tac-3p

Giriş=Çıkış=M5   

2 Pozisyon 3 Yollu

1,9 mm²

Tac-4V

Giriş=Çıkış=M5   

2 Pozisyon 5 Yollu

1,9 mm²

TAC-4P

Giriş=Çıkış=M5   

2 Pozisyon 5 Yollu

1,9 mm²

4PP

G1/8

 

2 Pozisyon 5 Yollu

4,5 mm²

TAC2-31V

Giriş=Çıkış=Egzoz=G1/8   

2 Pozisyon 3 Yollu

4,5 mm²

TAC2-31P

Giriş=Çıkış=Egzoz=G1/8   

2 Pozisyon 3 Yollu

4,5 mm²

TAC2-41V

Giriş=Çıkış=G1/8   Egzoz=M5

2 Pozisyon 5 Yollu

4,5 mm²

TAC2-41P

Giriş=Çıkış=G1/8   Egzoz=M5

2 Pozisyon 5 Yollu

4,5 mm²

TAC2-41PP

Giriş=Çıkış=G1/8   Egzoz=M5

2 Pozisyon 5 Yollu

4,5 mm²

SSS:

Geçiş valfi ile mekanik valf arasındaki fark nedir?

Geçiş valfi ve mekanik valfi kontrol tipine göre ayırt edilebilir: Geçiş valfi pinli kol tutma tipidir, mekanik valf itme-çekme düğmeli tip veya silindir tipidir

 

Geçiş valfinin diğer valflerden farkı nedir?

Hassas kontrol: Mafsallı vanalar, küçük çaplı boru hatlarında hassas kontrol için uygun olan konik vana çekirdeği aracılığıyla hassas akış düzenlemesi sağlarken, küresel vanalar hızlı açma ve kapama işlemleri için daha uygundur.

Sıcak Etiketler: TAC Pnömatik Geçiş Vanası, Çin, Üretici, Tedarikçi, Fabrika
Talep Gönder
İletişim bilgileri
Web sitemize hoşgeldiniz! Ürünlerimiz veya fiyat listemizle ilgili sorularınız için lütfen e-posta adresinizi bize bırakın; 24 saat içinde sizinle iletişime geçeceğiz.
e-posta
cici@olkptc.com
mobil
+86-13736765213
Adres
Zhengtai Yolu, Xinguang Sanayi Bölgesi, Liushi, Yueqing, Wenzhou, Zhejiang, Çin.
X
Size daha iyi bir gezinme deneyimi sunmak, site trafiğini analiz etmek ve içeriği kişiselleştirmek için çerezleri kullanıyoruz. Bu siteyi kullanarak çerez kullanımımızı kabul etmiş olursunuz. Gizlilik Politikası
Reddetmek Kabul etmek